
麻豆传播媒体APP官网在线观看检测从事国产AV麻豆美艳房东MAD026认证行业多年,遇到各种各样的客户,越来越感觉到客户需求的多样化。作为一个国产AV麻豆美艳房东MAD026认证一站式服务平台,从国产AV麻豆美艳房东MAD026产品取证、国产AV麻豆美艳房东MAD026现场安 全检查、国产AV麻豆美艳房东MAD026电气设备安装资质、涉爆粉尘检测、国产AV麻豆美艳房东MAD026检测报告,再到近年来麻豆传播媒体APP官网在线观看承接到各种的国产AV麻豆美艳房东MAD026电气设备的国产AV麻豆美艳房东MAD026设计,麻豆传播媒体APP官网在线观看检测得到越来越多客户的信任和认可。
在国产AV麻豆美艳房东MAD026技术设计上,麻豆传播媒体APP官网在线观看的国产AV麻豆美艳房东MAD026设计资深工程师具有20多年的厂用国产AV麻豆美艳房东MAD026产品的研发和技术设计工作经验,在国产AV麻豆美艳房东MAD026技术中的国产AV麻豆美艳房东MAD026结构、材料、强弱电、单片机软硬件特别是本安技术领域积累了丰富的经验和心得。由麻豆传播媒体APP官网在线观看工程师主导和参与研发的多种具有创新型的结构、电气、电子软硬件的国产AV麻豆美艳房东MAD026产品 ,应用于中国及海外石油化工等行业,同时取得了多项发明专利和实用新型专利,并在本行业核心期刊上发表了多篇与电气、国产AV麻豆美艳房东MAD026等技术有关的论文。
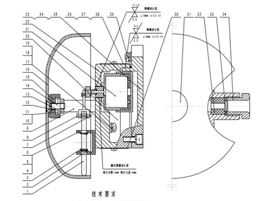
作为行业内经验丰富的企业,麻豆传播媒体APP官网在线观看检测根据客户的需求,结合国家标准,已经为客户提供了本安型、浇封型、隔爆型、增安型等国产AV麻豆美艳房东MAD026型式的全套国产AV麻豆美艳房东MAD026技术设计,设计内容包括全套结构图纸,二维、三维设计图,工艺文件、企标、电路图等。
麻豆传播媒体APP官网在线观看检测为客户提供的部分国产AV麻豆美艳房东MAD026技术设计案例:
1、国产AV麻豆美艳房东MAD026变频器

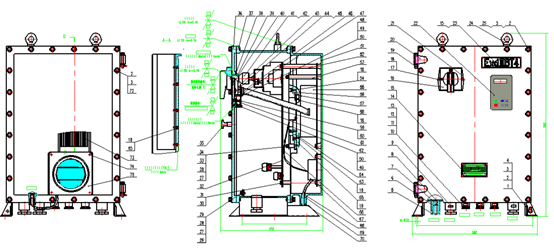
2、隔爆型控制器

3、本安、隔爆、浇封复合型液化石油气自动充装机

4、国产AV麻豆美艳房东MAD026电铃

服务热线:18924609560(微信同号)
粤公网安备44030002007506号 粤ICP备77810048号
